廣東省2月份代理購電工商業(yè)用戶電價表
深圳2月份代理購電工商業(yè)用戶電價表
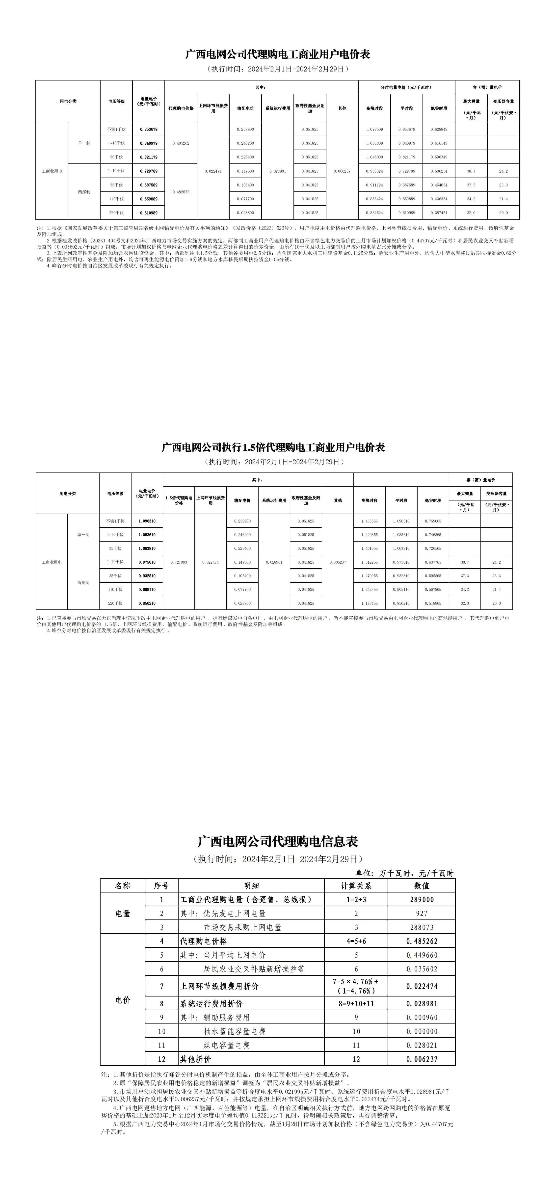
廣西省2月份代理購電工商業(yè)用戶電價表
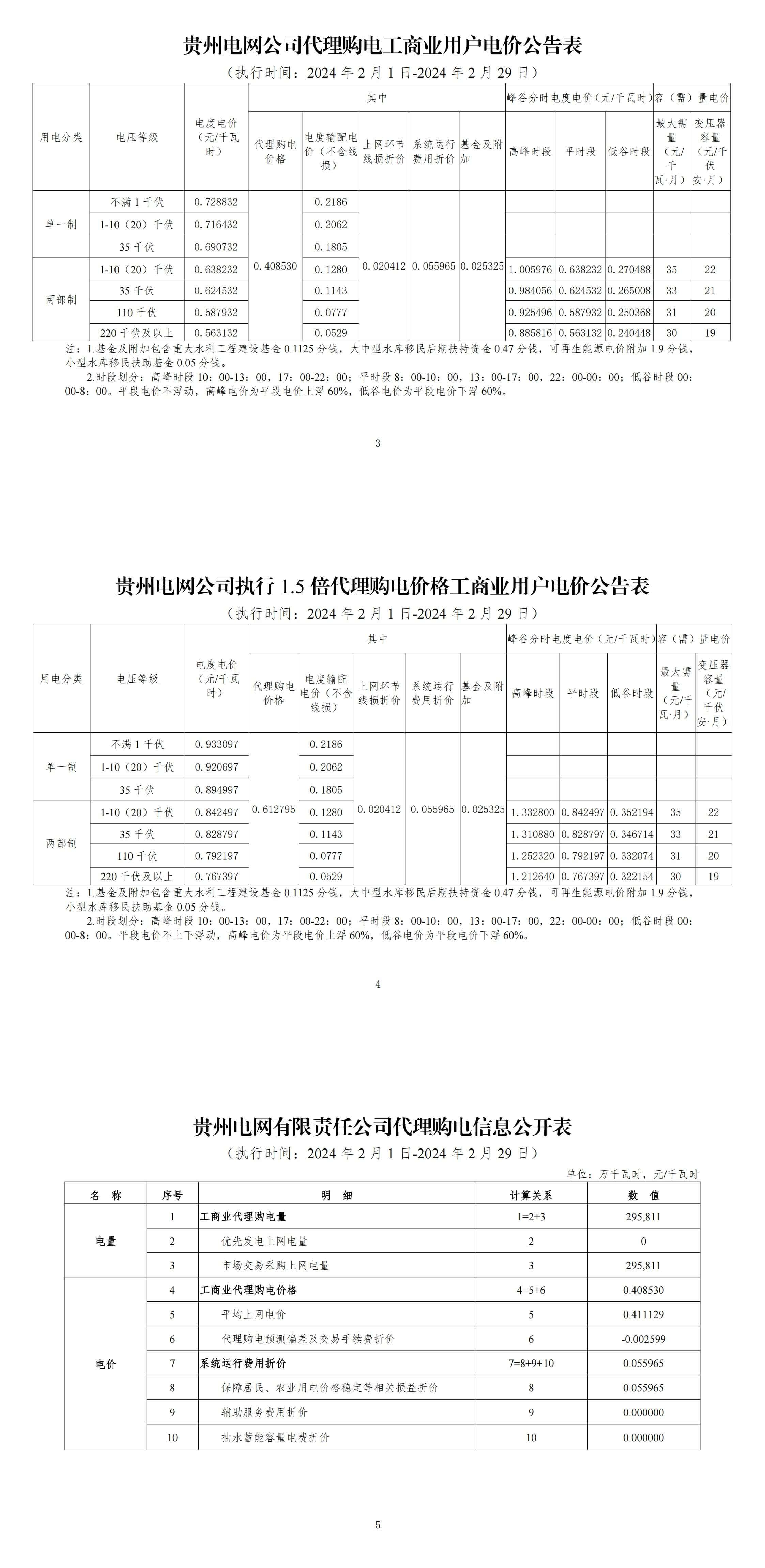
貴州省2月份代理購電工商業(yè)用戶電價表
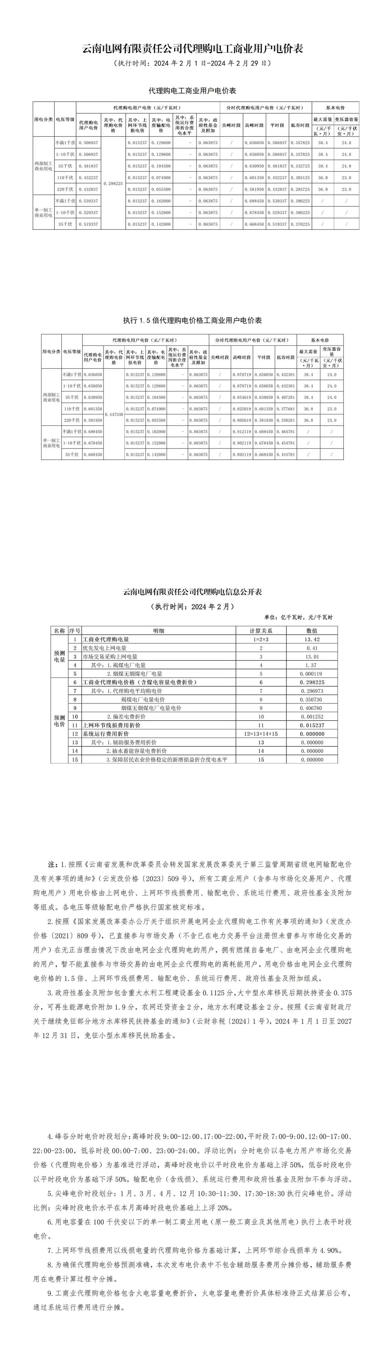
云南省2月份代理購電工商業(yè)用戶電價表
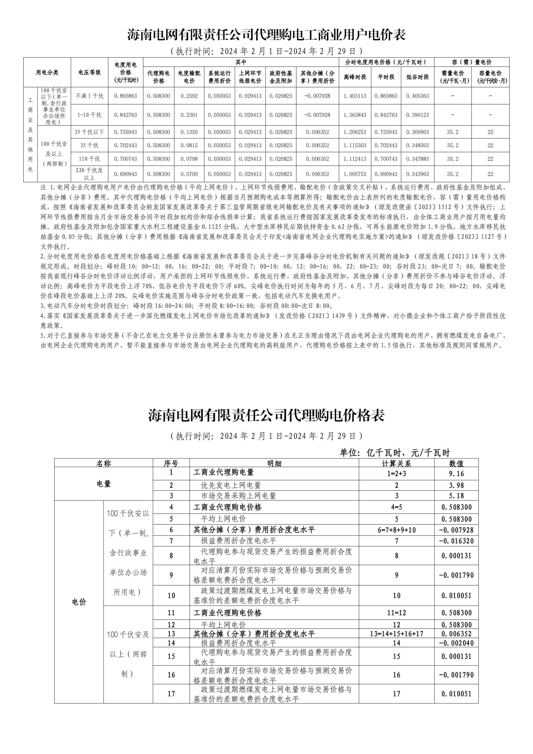
海南省2月份代理購電工商業(yè)用戶電價表