廣東省7月份代理購(gòu)電工商業(yè)用戶電價(jià)表

深圳市7月份代理購(gòu)電工商業(yè)用戶電價(jià)表

廣西省7月份代理購(gòu)電工商業(yè)用戶電價(jià)表

貴州省7月份代理購(gòu)電工商業(yè)用戶電價(jià)表

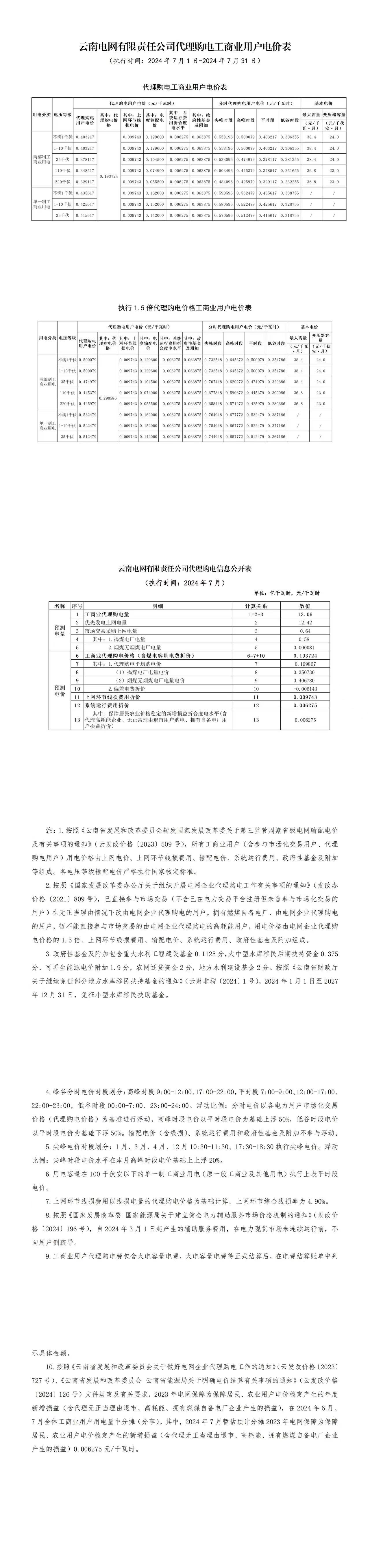
云南省7月份代理購(gòu)電工商業(yè)用戶電價(jià)表

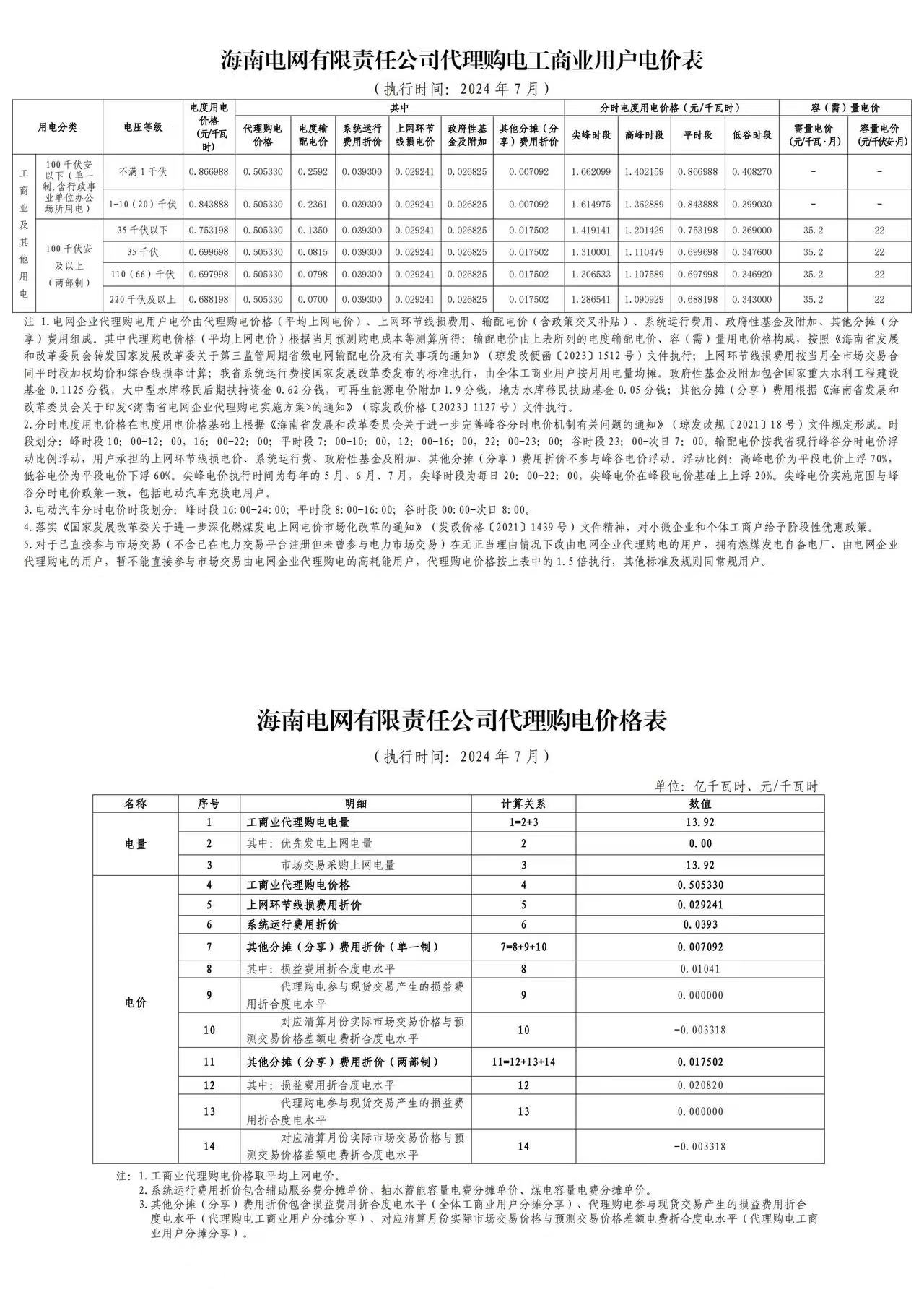
海南省7月份代理購(gòu)電工商業(yè)用戶電價(jià)表
